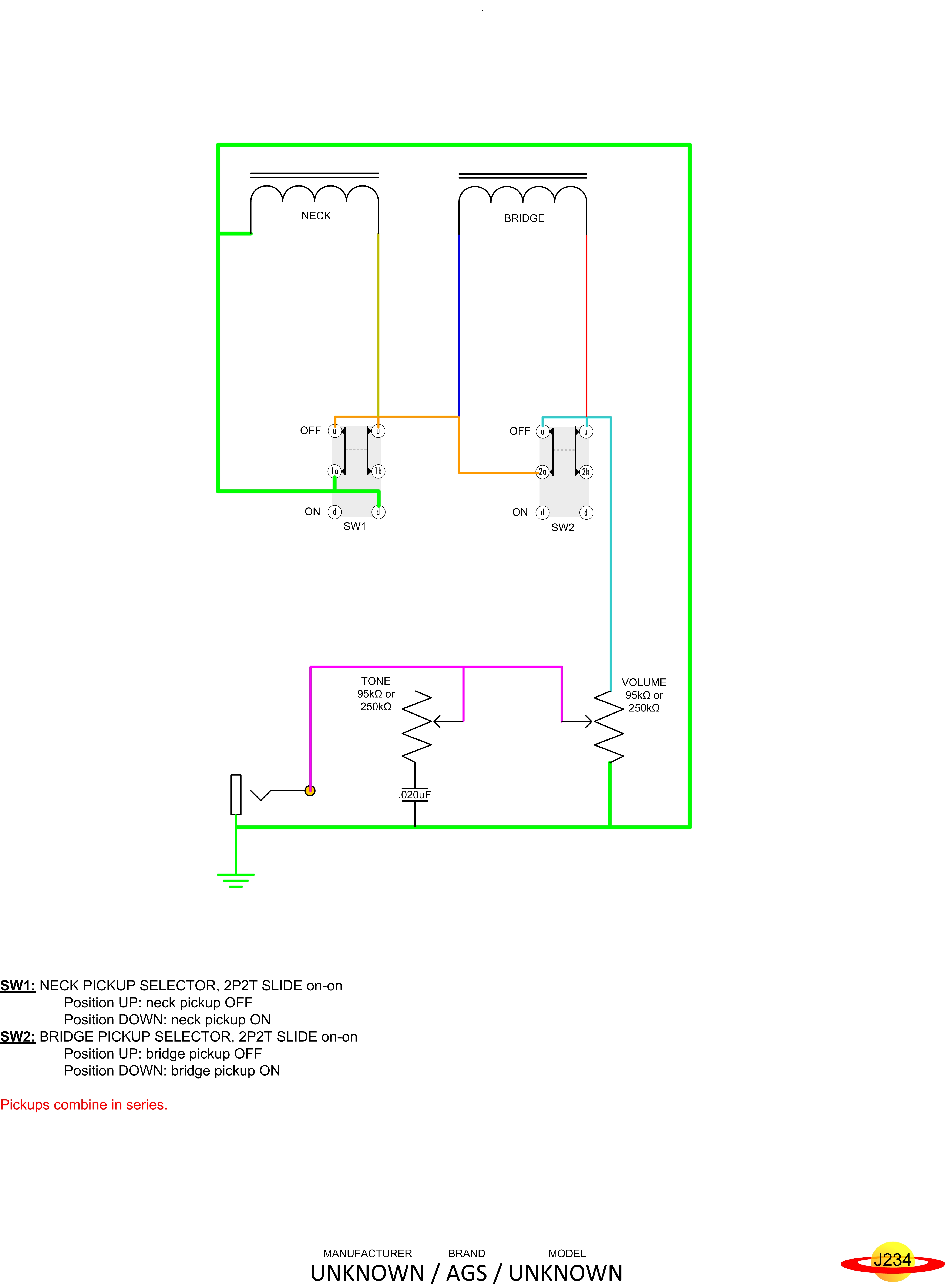
UNKNOWN AGS Unknown
Manufacturer
UNKNOWN
Brand
AGS
Model
Unknown
Instrument
Guitar
# Pickups
2
View Diagram
View Schematic