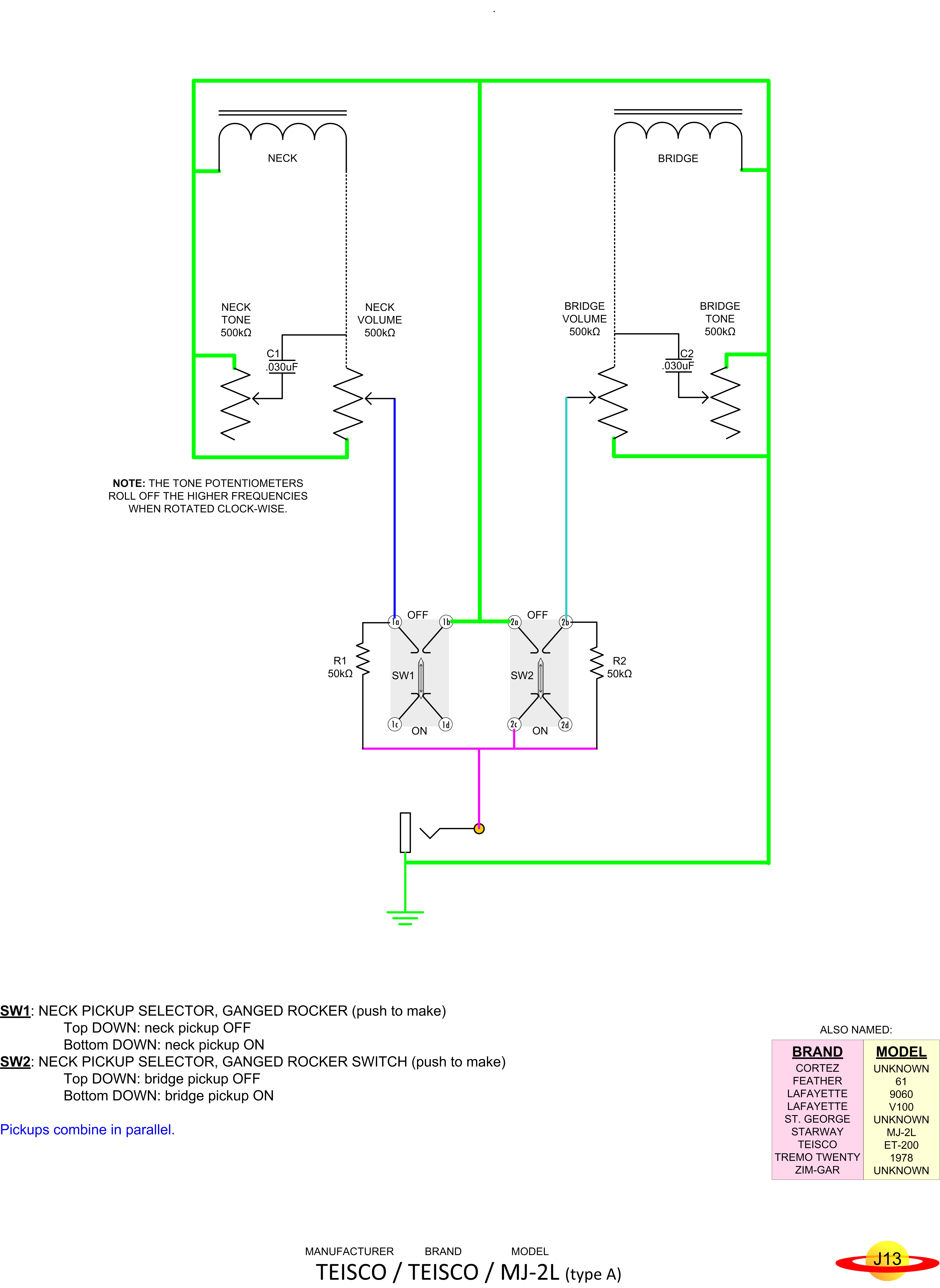
TEISCO Teisco MJ-2L type A
Manufacturer
TEISCO
Brand
Teisco
Model
MJ-2L
Instrument
Guitar
# Pickups
2
View Diagram
View Schematic