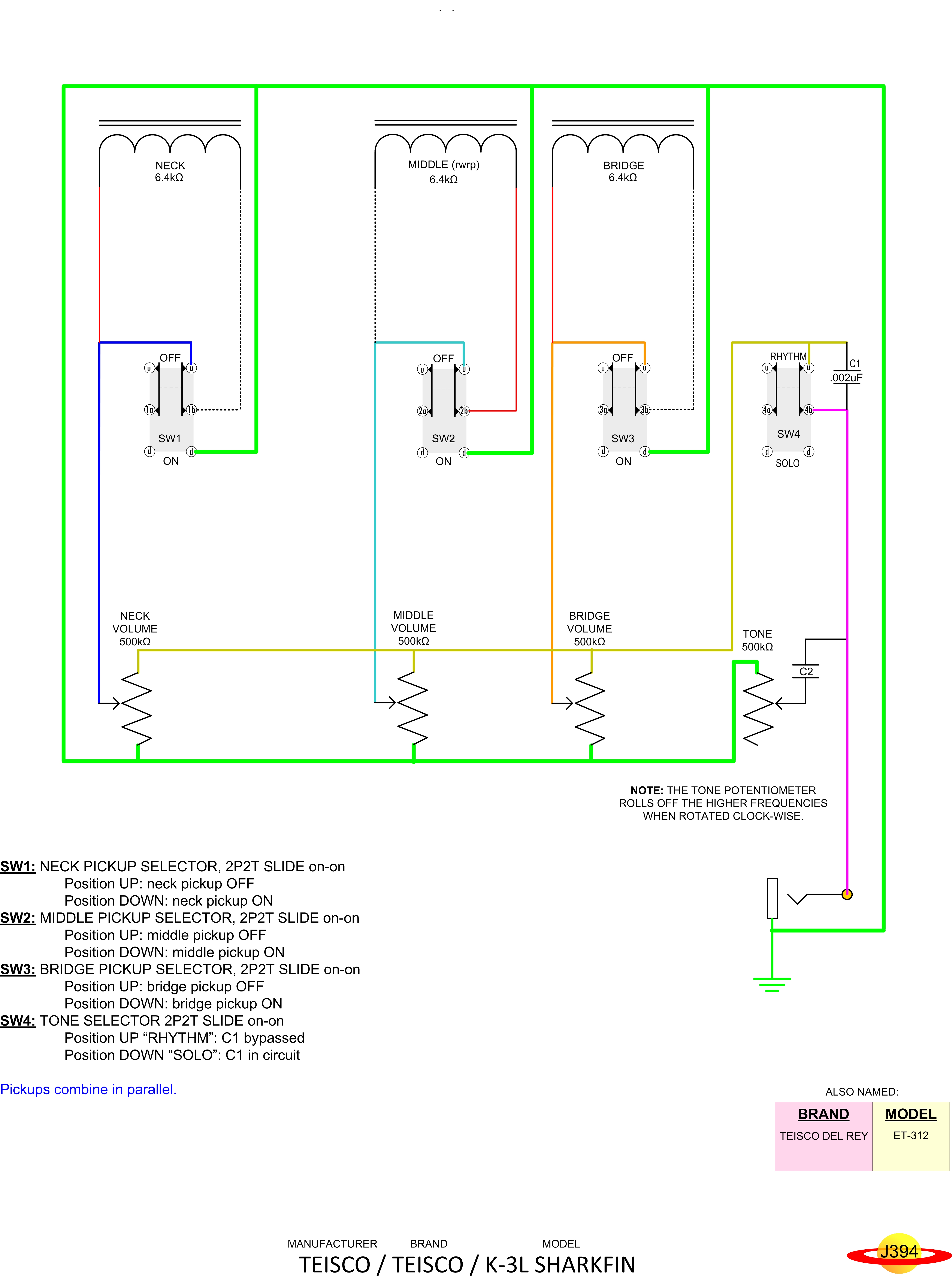
TEISCO Teisco K-3L Sharkfin
Manufacturer
TEISCO
Brand
Teisco
Model
K-3L
Instrument
Guitar
# Pickups
3
View Diagram
View Schematic