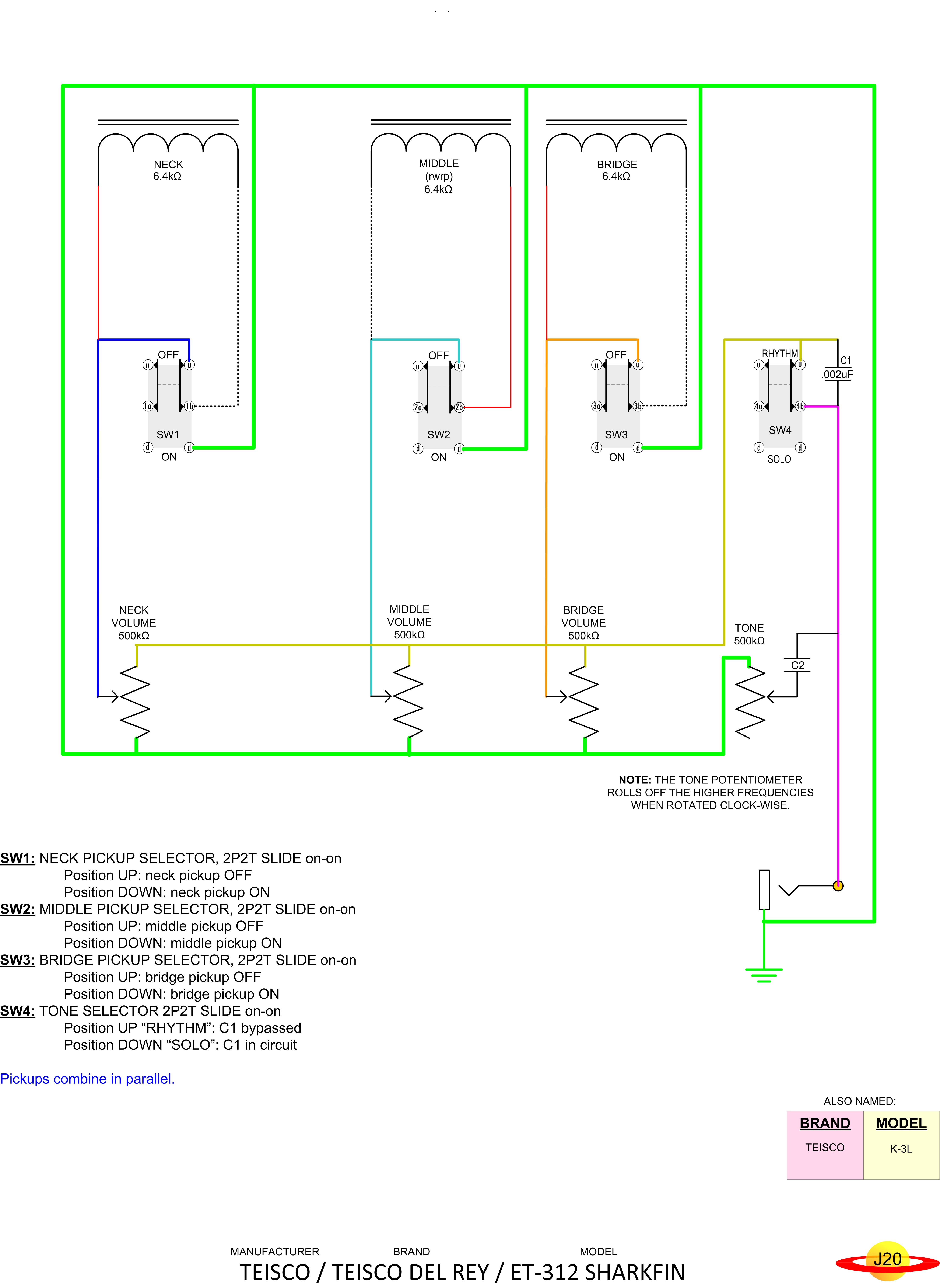
TEISCO Teisco Del Rey ET-312 Sharkfin
Manufacturer
TEISCO
Brand
Teisco Del Rey
Model
ET-312 Sharkfin
Instrument
Guitar
# Pickups
3
View Diagram
View Schematic