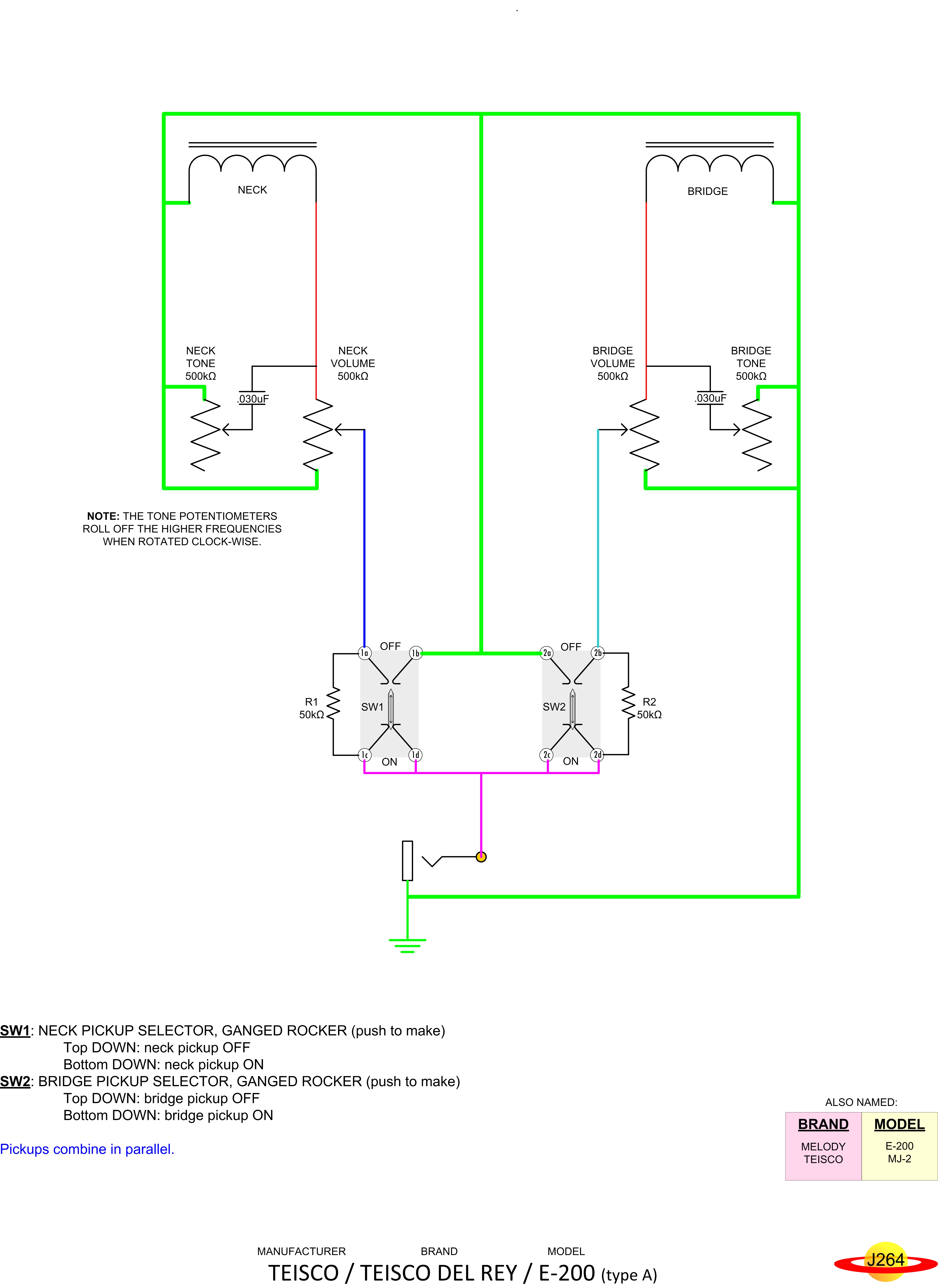
TEISCO Teisco Del Rey E-200 type A
Manufacturer
TEISCO
Brand
Teisco Del Rey
Model
E-200
Instrument
Guitar
# Pickups
2
View Diagram
View Schematic