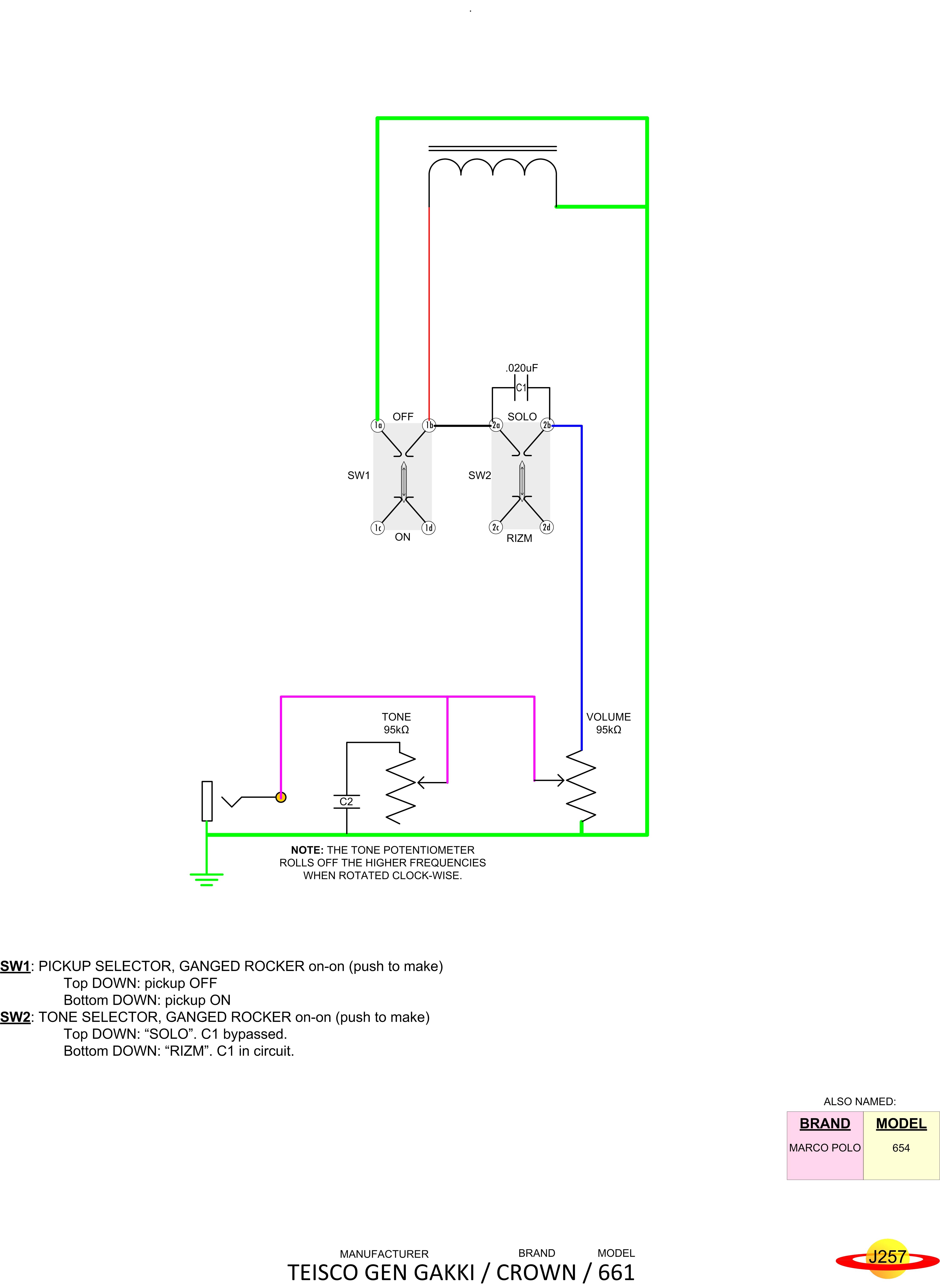
TEISCO GEN GAKKI Crown 661
Manufacturer
TEISCO GEN GAKKI
Brand
Crown
Model
661
Instrument
Guitar
# Pickups
1
View Diagram
View Schematic