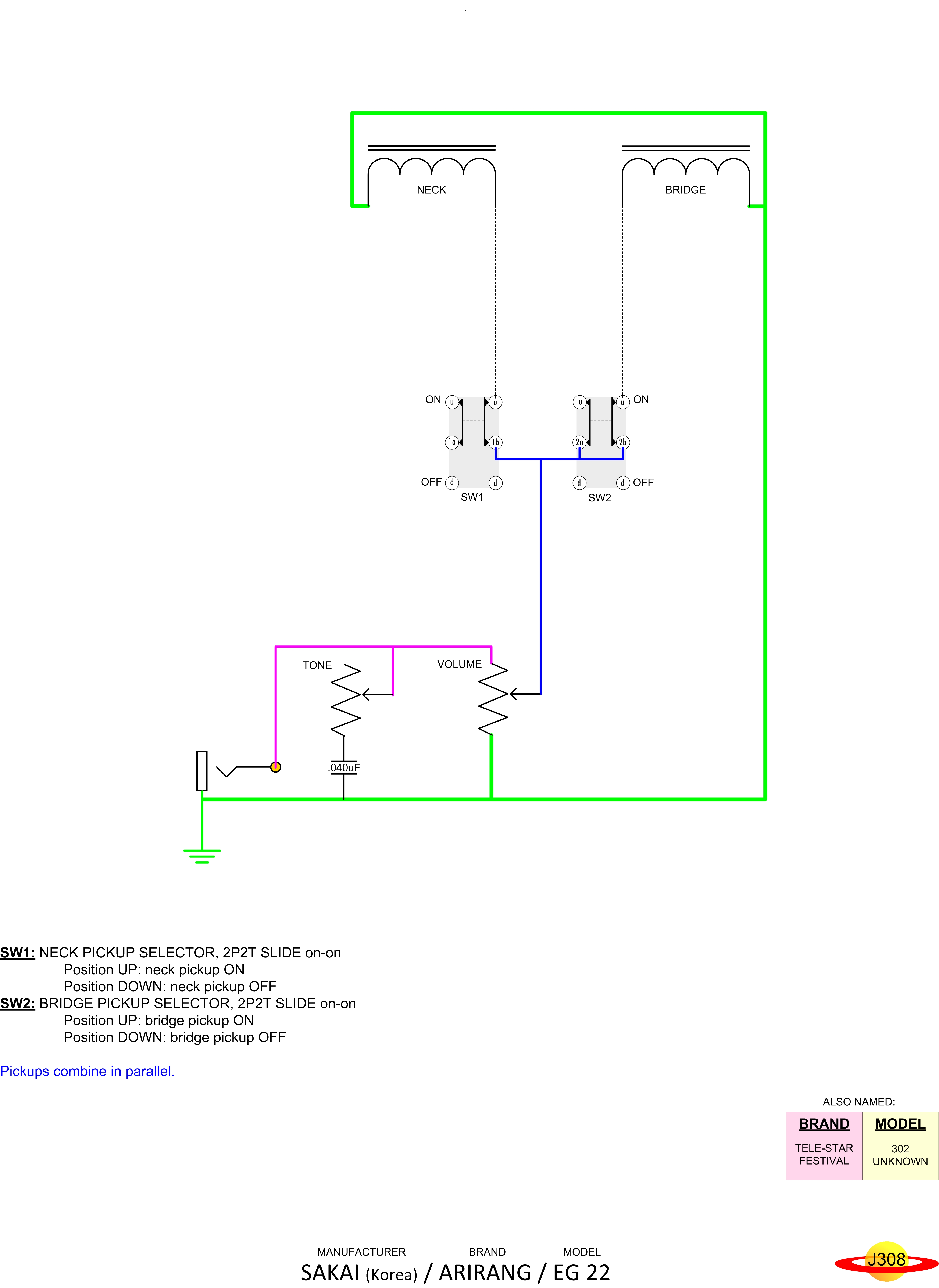
SAKAI Arirang EG 22
Manufacturer
SAKAI
Brand
Arirang
Model
EG 22
Instrument
Guitar
# Pickups
2
View Diagram
View Schematic