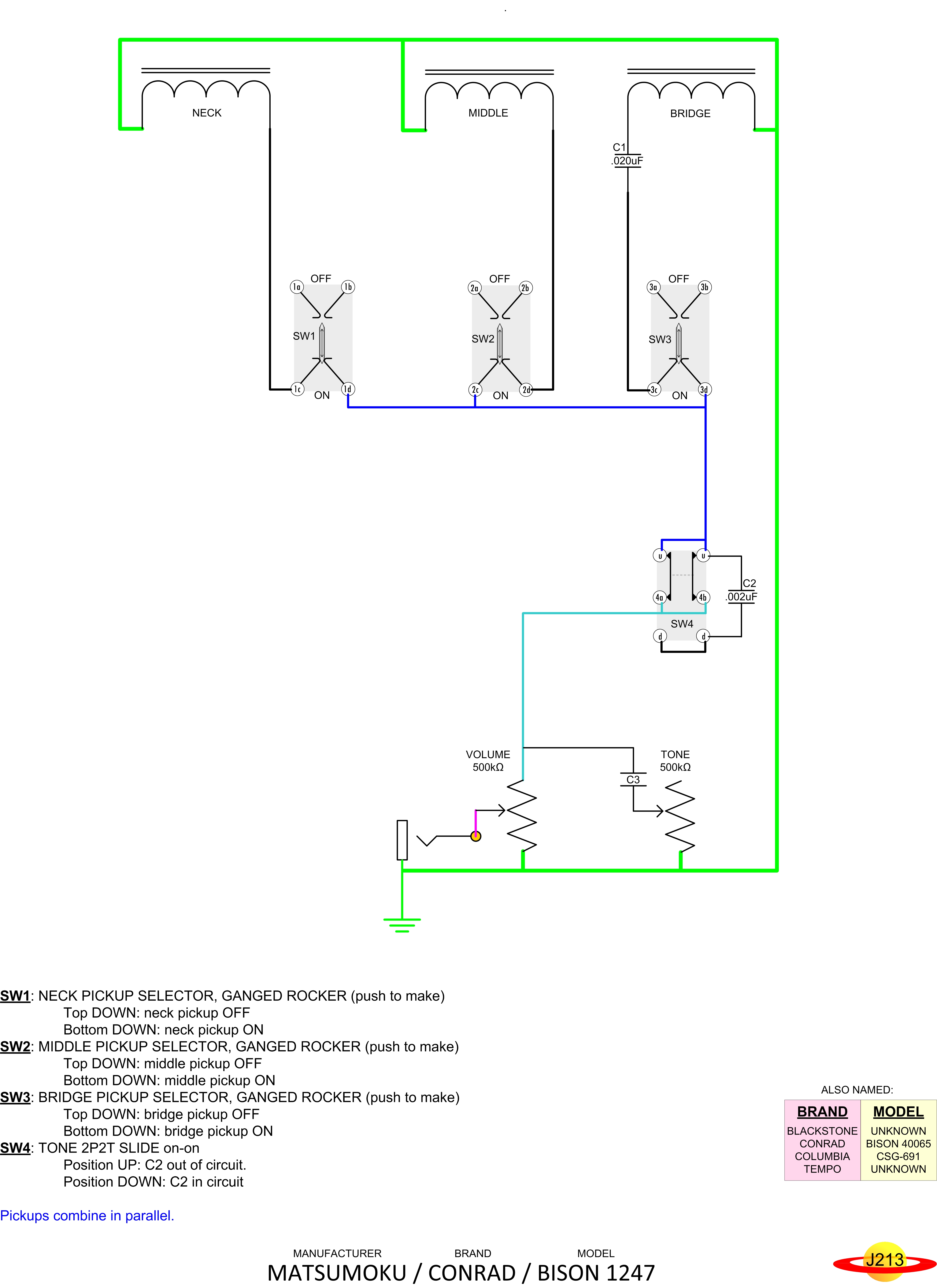
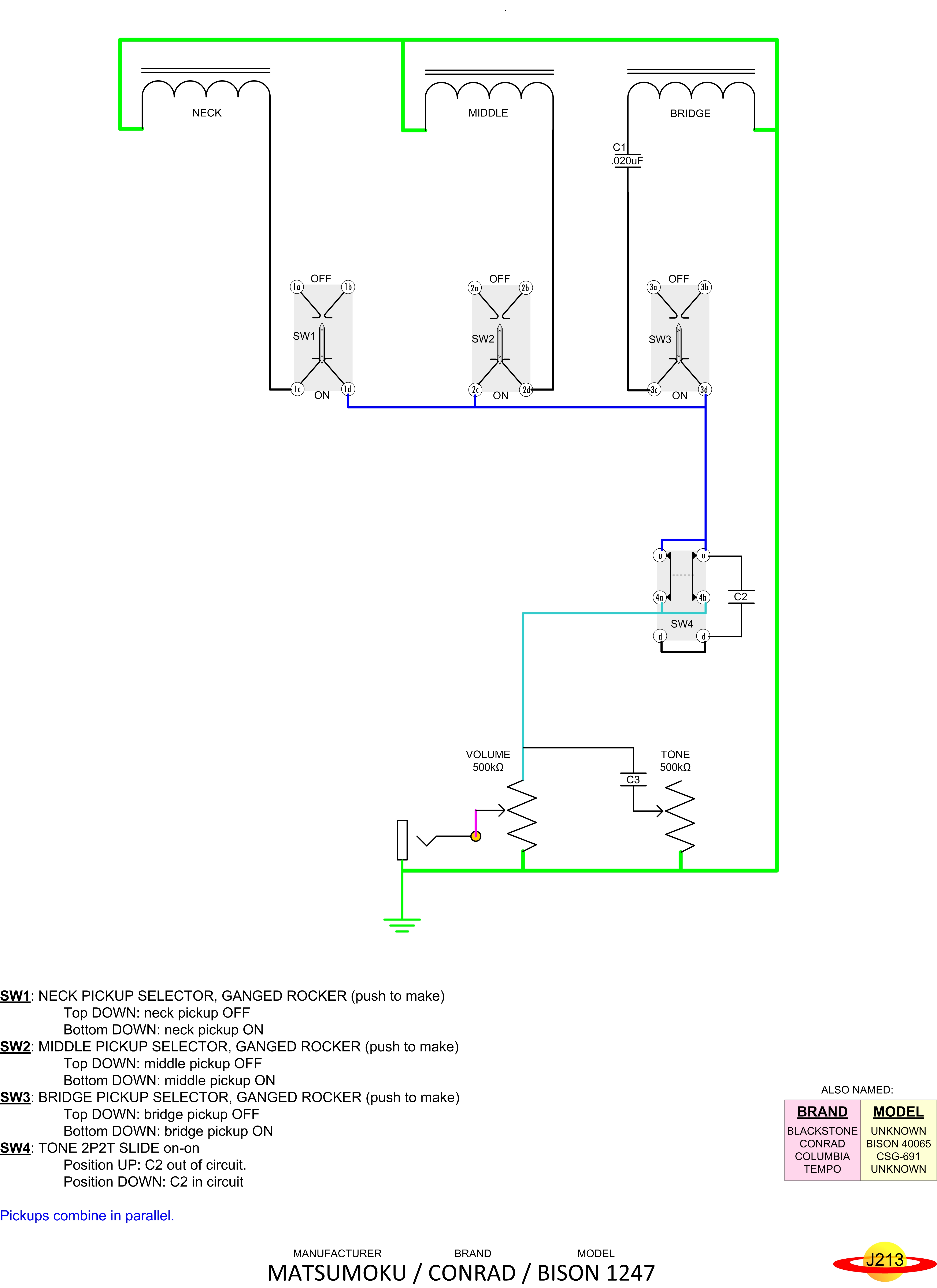
MATSUMOKU Conrad Bison 1247
Manufacturer
MATSUMOKU
Brand
Conrad
Model
Bison 1247
Instrument
Guitar
# Pickups
3
View Diagram
View Schematic