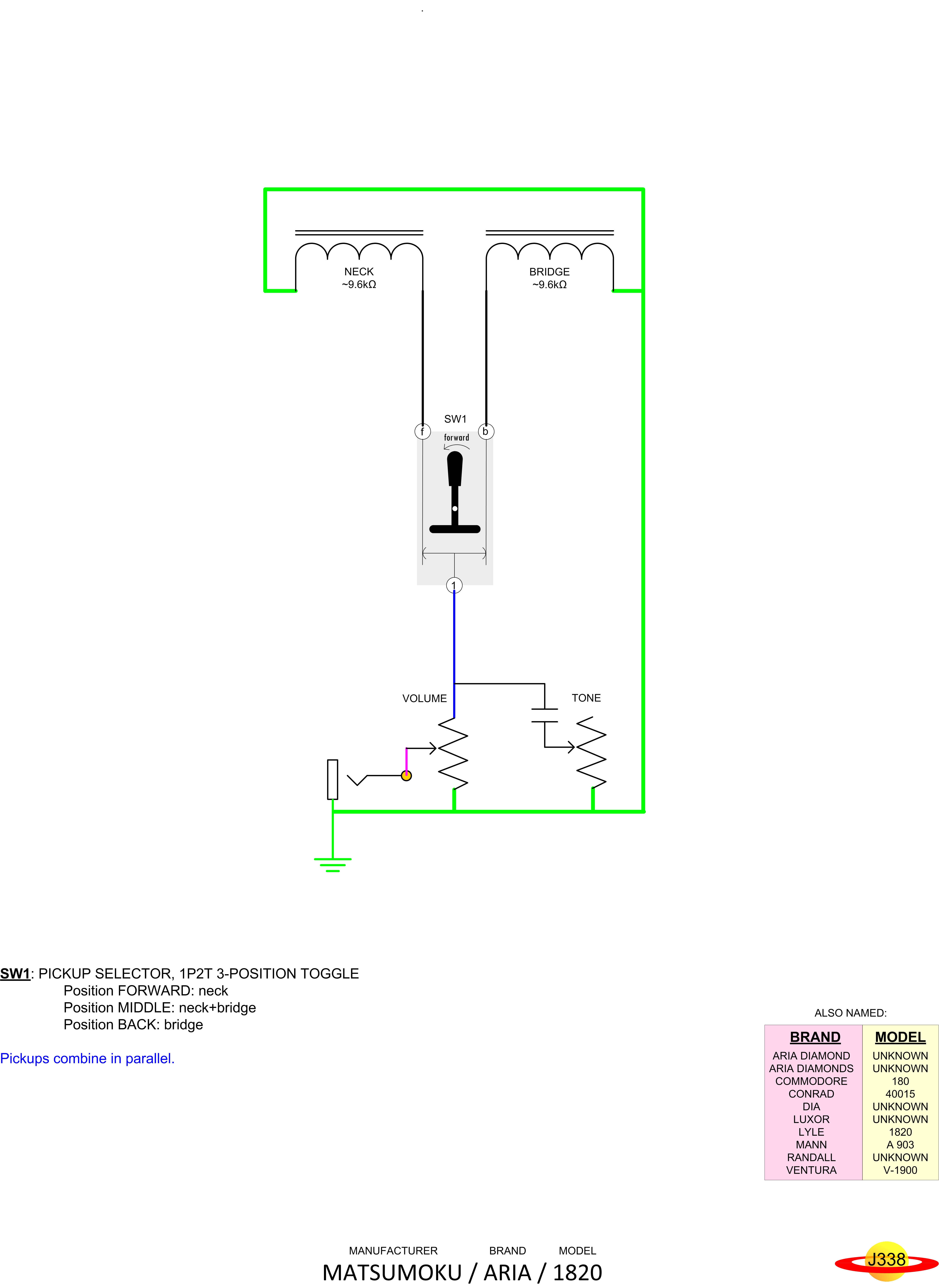
MATSUMOKU Aria 1820
Manufacturer
MATSUMOKU
Brand
Aria
Model
1820
Instrument
Bass
# Pickups
2
View Diagram
View Schematic