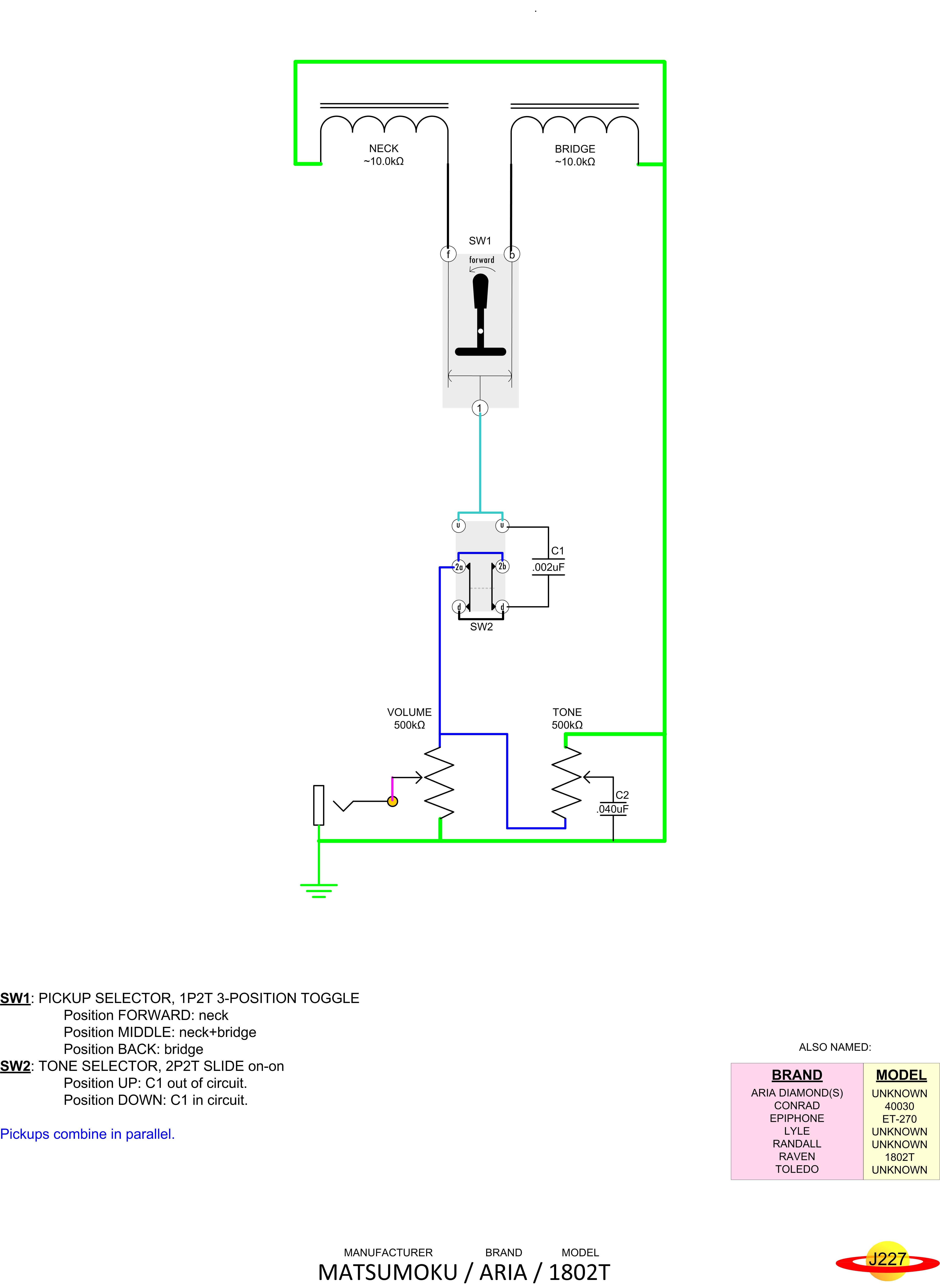
MATSUMOKU Aria 1802T
Manufacturer
MATSUMOKU
Brand
Aria
Model
1802T
Instrument
Guitar
# Pickups
2
View Diagram
View Schematic