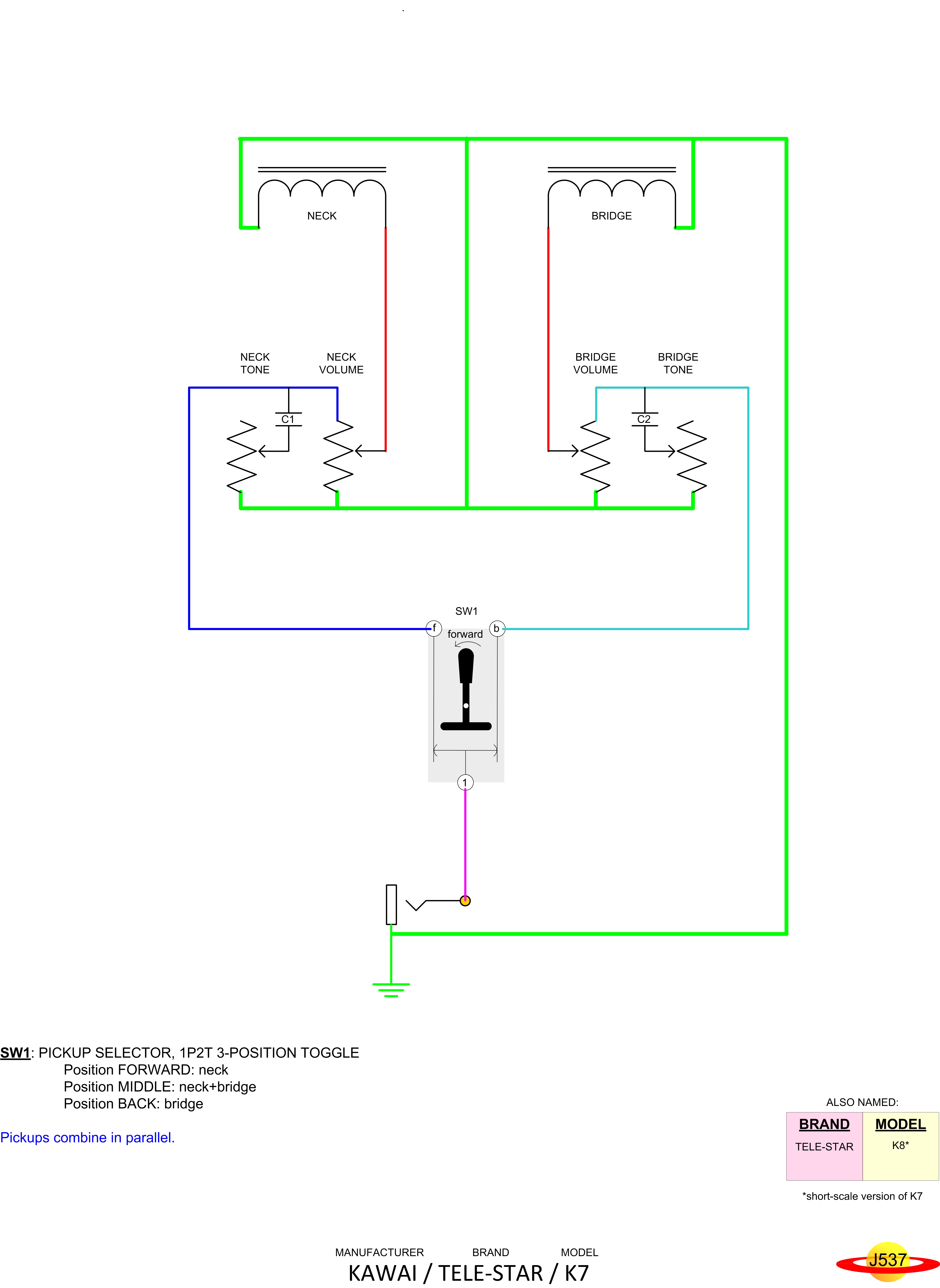
KAWAI Tele-Star K7
Manufacturer
KAWAI
Brand
Tele-Star
Model
K7
Instrument
Bass
# Pickups
2
View Diagram
View Schematic