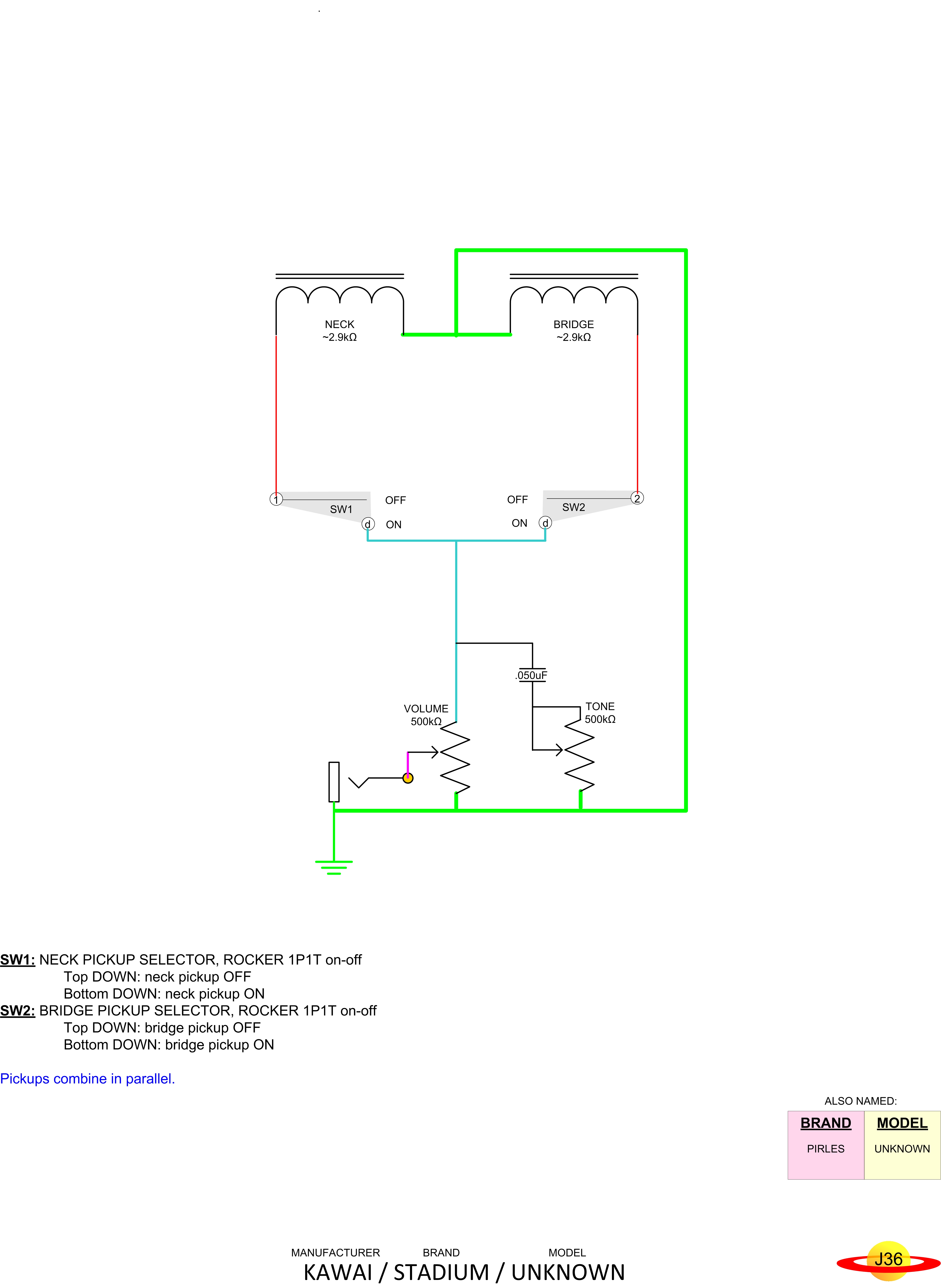
KAWAI Stadium Unknown
Manufacturer
KAWAI
Brand
Stadium
Model
Unknown
Instrument
Guitar
# Pickups
2
View Diagram
View Schematic