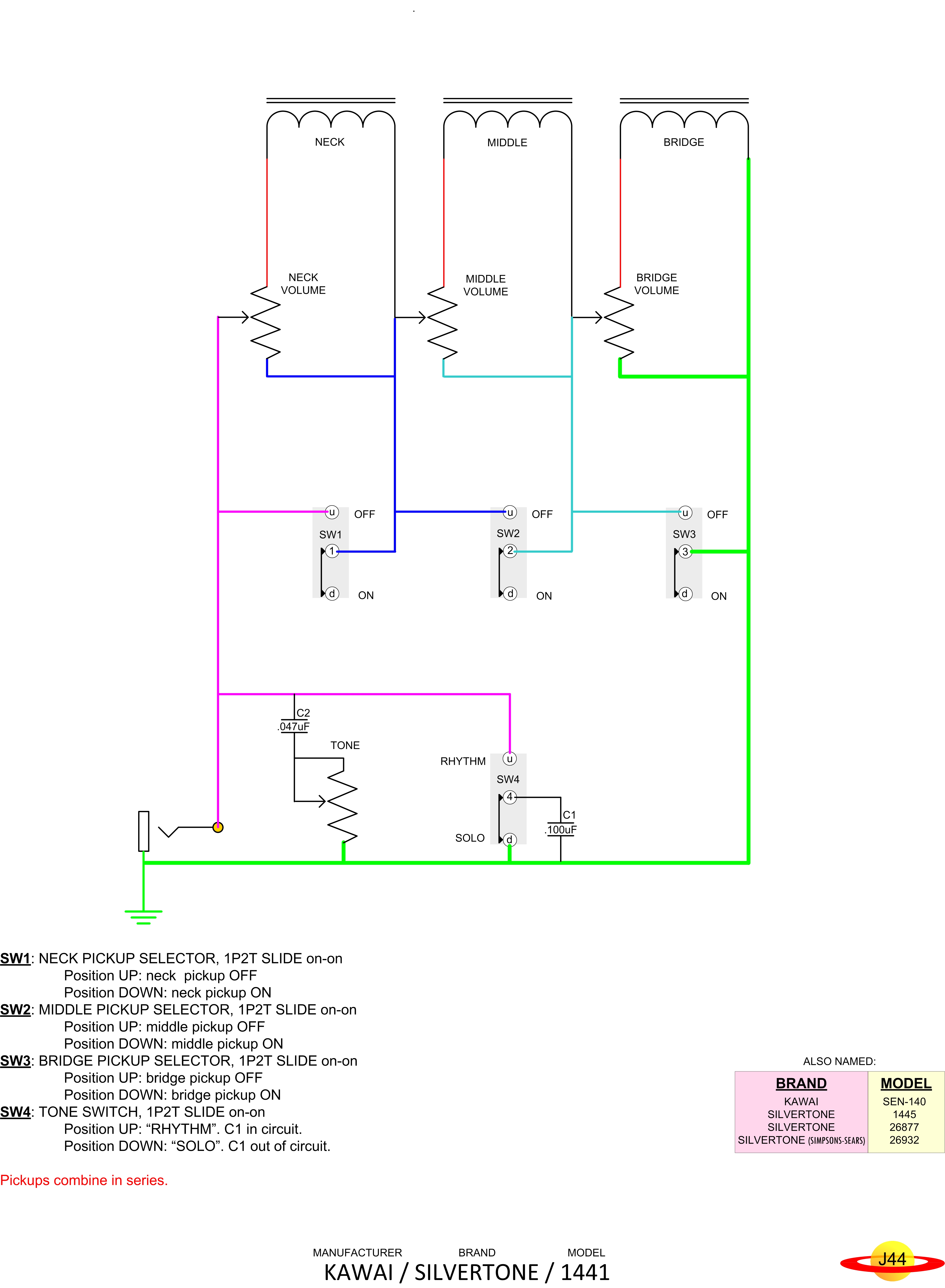
KAWAI Silvertone 1441
Manufacturer
KAWAI
Brand
Silvertone
Model
1441
Instrument
Guitar
# Pickups
3
View Diagram
View Schematic