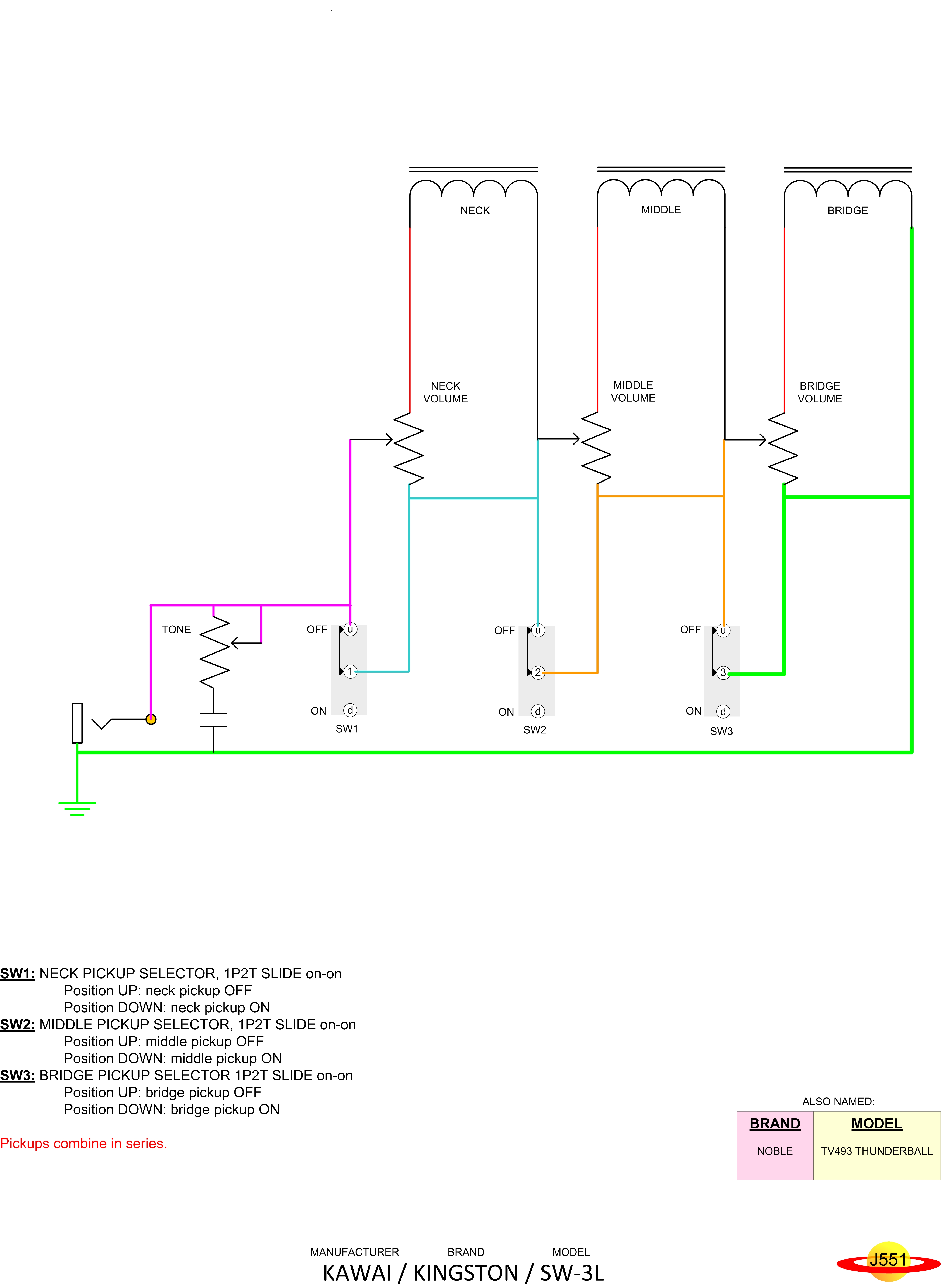
KAWAI Kingston SW-3L
Manufacturer
KAWAI
Brand
Kingston
Model
SW-3L
Instrument
Guitar
# Pickups
3
View Diagram
View Schematic