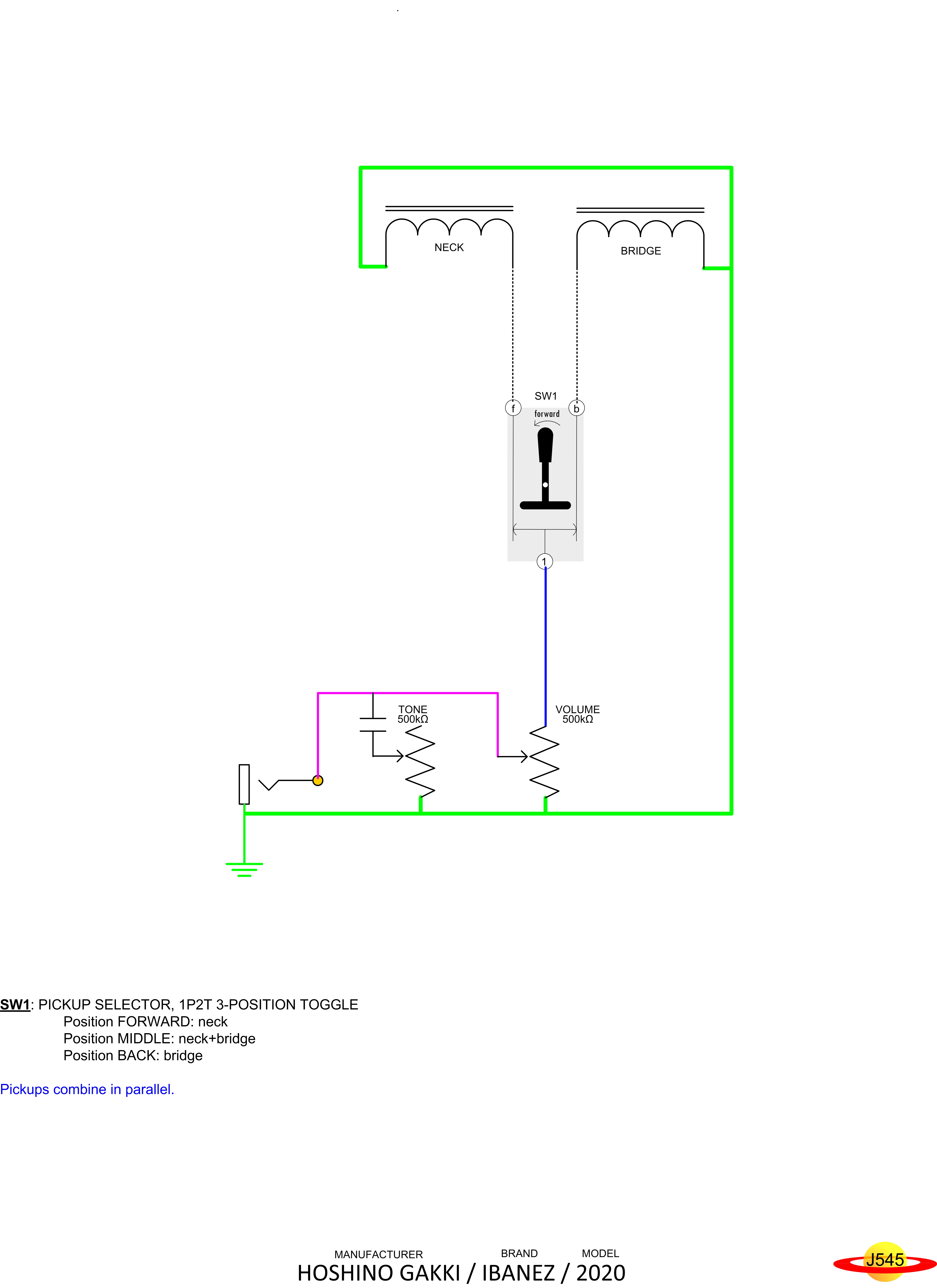
HOSHINO GAKKI Ibanez 2020
Manufacturer
HOSHINO GAKKI
Brand
Ibanez
Model
2020
Instrument
Guitar
# Pickups
2
View Diagram
View Schematic