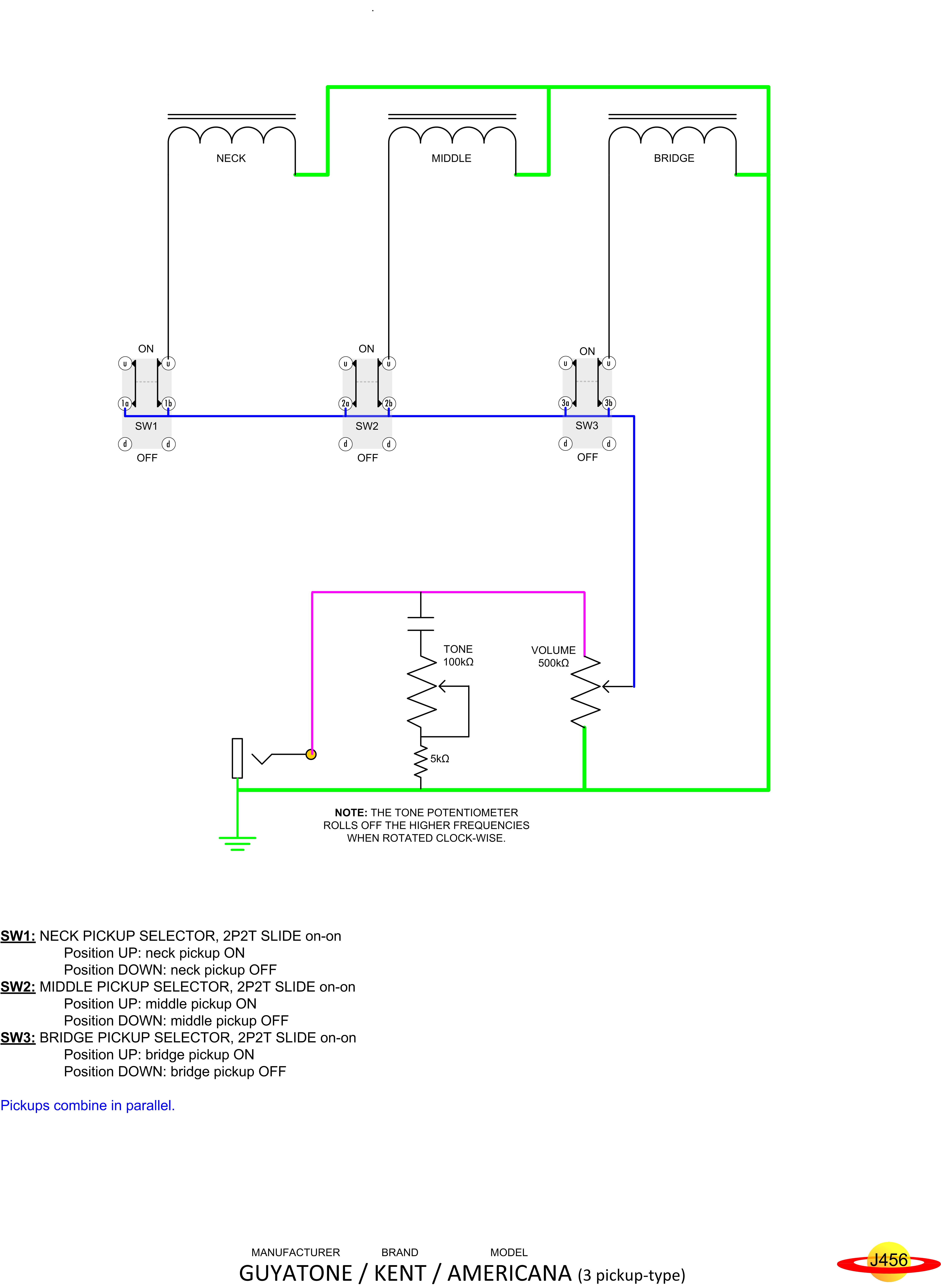
GUYATONE Kent Americana 3-pickup-type
Manufacturer
GUYATONE
Brand
Kent
Model
Americana
Instrument
Guitar
# Pickups
3
View Diagram
View Schematic