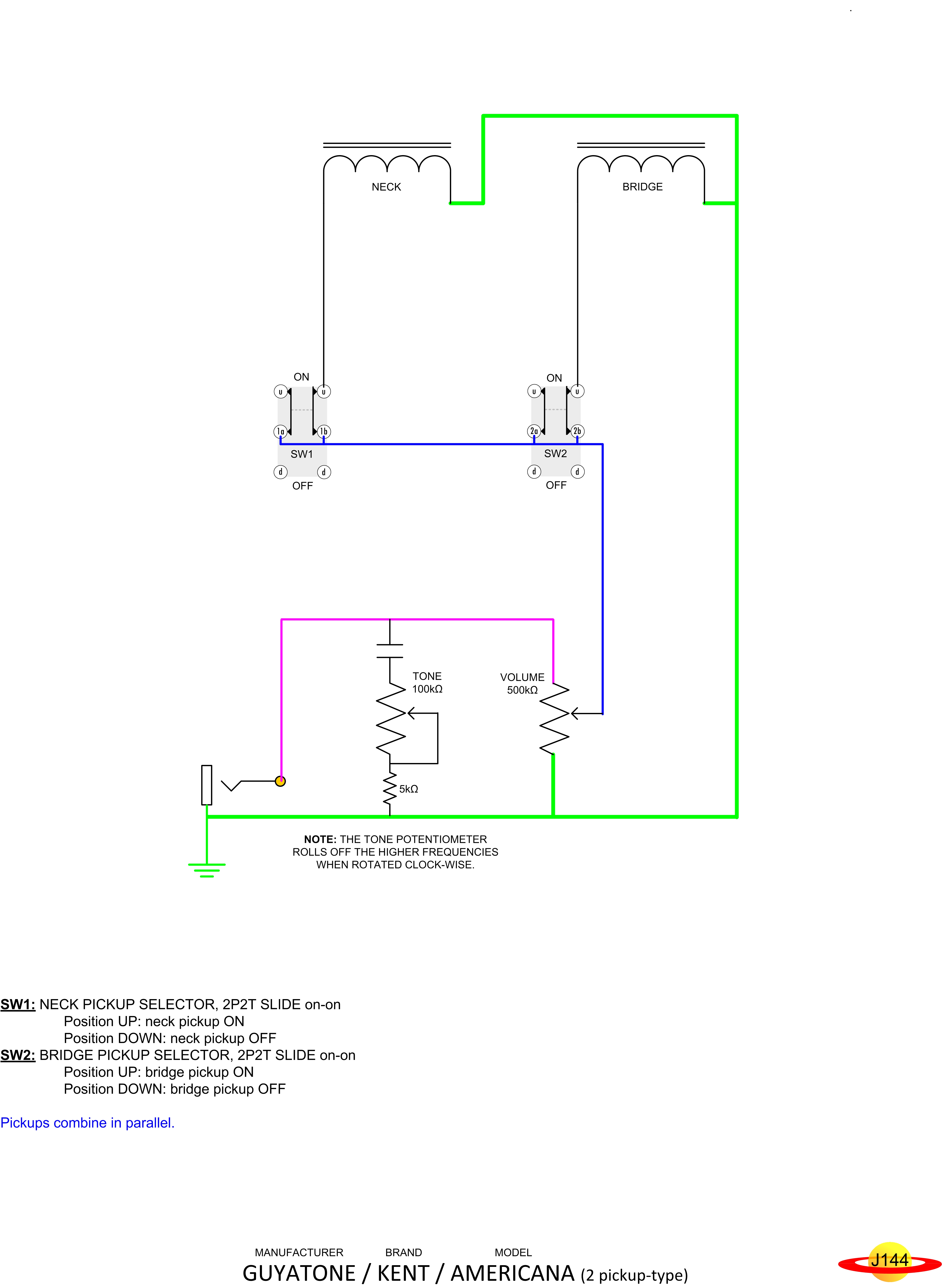
GUYATONE Kent Americana 2-pickup-type
Manufacturer
GUYATONE
Brand
Kent
Model
Americana
Instrument
Guitar
# Pickups
2
View Diagram
View Schematic