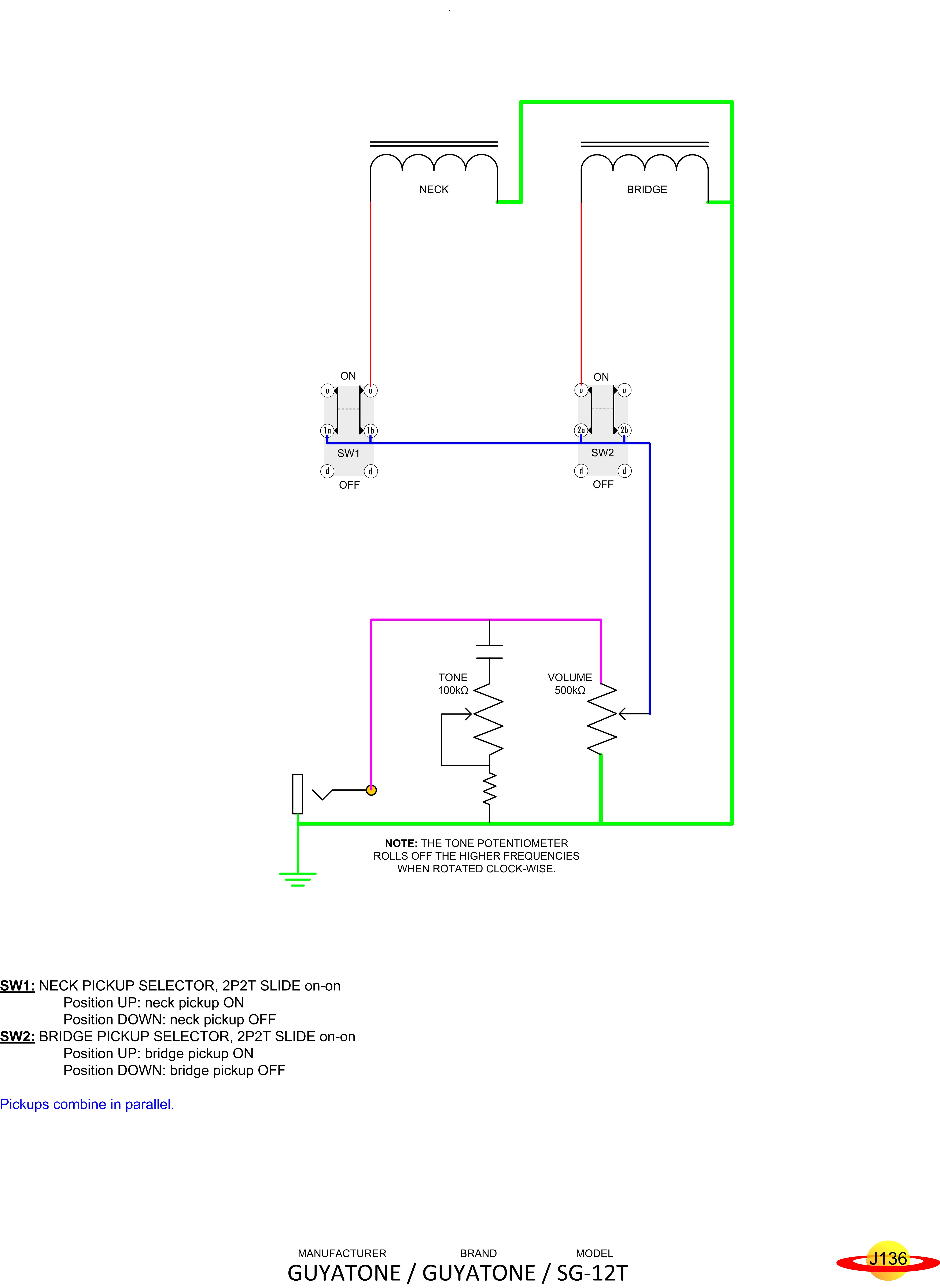
GUYATONE Guyatone SG-12T
Manufacturer
GUYATONE
Brand
Guyatone
Model
SG-12T
Instrument
Guitar
# Pickups
2
View Diagram
View Schematic